Table of Contents
Tapo D210 V2 Datasheet
Video Doorbell Camera
Overview

Full View, Full Security: Your Doorway Defender

Highlights
2KΔ + Comprehensive View with 160° DFOV
With a 160° ultra-wide field of view, Tapo D210 lets you see the whole picture when visitors approach the door.

Smarter Detection, No Subscription Required
Smart AI accurately alerts you to people detected in frame - all with no monthly fees.

Features
![]() |
180-Day Battery Powered
|
![]() |
Wire-Free Placement No wires means you can place the doorbell anywhere you want. |
![]() |
Flexible View with Wedge
|
![]() |
Color Night Vision
|
![]() |
Two-Way Audio Communicate in real time through a built-in microphone and speaker. |
![]() |
Quick Response Respond to your deliveries without saying a word with customizable responses through the Tapo app. |
![]() |
Indoor Chime Provided Up to 98dB alarm with a variety of ringtones. |
![]() |
Customizable Activity Zones Set customizable activity zones to receive more accurate notifications. |
![]() |
Anti-Theft Alarm Be alerted when someone is trying to remove the doorbell. |
Specifications
| Camera | |
| Image Sensor | 1/3” Progressive Scan CMOS Sensor |
| Lens | Focal Length: 1.18 mm Aperture: F1.8 Field of View: 160° Diagonal |
| Night Vision | 850 nm IR LED (25 ft / 7.6 m) Full-Color Night Vision |
| Night Mode | IR-Mode Full-Color Mode Doorbell Mode |
| Day/Night Switch | IR-Cut Filter with Auto-Switching |
| Lighting | Built-in Spotlights |
| Interface & Button | 1× RESET Button 1× Doorbell Button 1× Anti-Theft Button 1× microSD Card Slot |
| Chime | |
| Interface & Button | 1× RESET/SYNC Button 1× Volume Button 1× Music Button |
| Video & Audio | |
| Maximum Resolution | 2K (2304 × 1296 px) |
| Frame Rate | 15 fps |
| Digital Zoom | 10x |
| Live View | Yes |
| Video Compression | H.264 |
| Image Enhancement | 3DNR WDR |
| Audio Input & Output | Built-in Microphone and Speaker |
| Audio Communication | Two-Way Audio with Noise Cancellation |
| Storage | |
| Local Storage | microSD Card Slot on Doorbell (Up to 512 GB) (SD Card Purchased Separately) |
| Cloud Storage | Tapo Care Cloud Storage Services (Subscription required) |
| Detection & Notification | |
| AI Detection | Motion Detection Person Detection Vehicle Detection |
| Activity Zones | Yes |
| Alarm Type | Anti-Theft Alarm |
| Output Notification | System Notification System Notification with Snapshot (Subscription Required) |
| Network | |
| Network Connectivity | Connect via Wi-Fi |
| Wireless Connectivity | IEEE 802.11b/g/n, 2.4 GHz Wi-Fi |
| Transmission Rate | 11b: 11 Mbps 11g: 54 Mbps 11n: 65 Mbps |
| Protocol | TCP/IP, DHCP, ICMP, DNS, NTP, HTTPS, TCP, UDP |
| Ethernet Port | No |
| Security | |
| Security | On-Device Machine Learning 128-bit AES Encryption with SSL/TLS WPA/WPA2-PSK |
| Power | |
| Power Source | 5200mAh Built-in Rechargeable Lithium-ion Battery Optional Solar Panel: Tapo A201 (Sold separately) |
| Input Voltage | Doorbell Battery Pack Adapter Input: 100-240 V, 50/60 Hz Chime Adapter Input: 100~240V AC, 0.2 A |
| Output Voltage | Doorbell Battery Pack Adapter Output: 5.0 V, 1.0 A |
| Power Cord Length | Doorbell Battery Pack Adapter Cord Length: 0.5 m |
| Typical Power Consumption | Doorbell Typical Power Consumption: 1.05 W |
| Maximum Power Consumption | Doorbell Max Power Consumption: 1.89 W |
| General | |
| Certifications | CE, NTRA, RoHS, RCM, JRF, VCCI, KC, R-NZ, FCC, EAC, UKCA |
| Smart Integration | Google Assistant, Amazon Alexa |
| Weather Resistance | IP65 |
| Mounting Options | Stick to a Wall Mount to a Wall |
| Operating Temperature | -20℃~45℃ (-4℉ ~ 113℉) |
| Storage Temperature | -40℃~60℃ (-40℉ ~140℉) |
| Operating Humidity | 10%~90% RH, Non-condensing |
| Storage Humidity | 5~90% RH, Non-condensing |
| Dimensions | Doorbell Dimensions: 2.13 × 1.97 × 1.52 in (150 × 50 × 38.4 mm) Chime Dimensions: US/JP Version: 2.87×1.85×1.71 in (73×46.9×43.5 mm) EU Version: 2.87 × 2.15 × 1.89 in (73×54.6×48 mm) UK Version: 2.87×2.45×1.71 in (73×62.3×43.5 mm) KR Version: 2.87×2.46×1.71 in (73×62.4×43.5mm) AU Version: 2.87×2.01×1.71 in (73×51×43.5 mm) |
| Package Contents |
Tapo Video Doorbell ×1 |
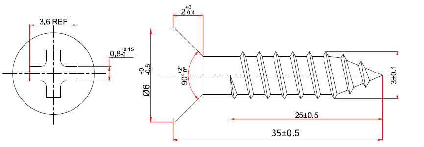
| Mounting Screw Size | ![]() |
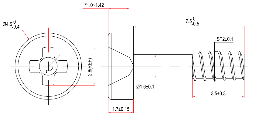
| microSD card slot cover screw size | ![]() |
†microSD card purchased separately. Actual storage capacity depends on the size of the microSD card used.
‡Subscribe for cloud storage service at http://www.tapo.com/tapocare
△Compatible with Alexa and Google Assistant supported displays. User experience is dependent on the connected services.
§Chime can only be used indoors.
*180-day battery life is based on TP-Link's laboratory testing with 300 seconds per day use. The time of use includes recording and watching live views. Actual battery life may vary due to device settings, usage, router specifications, and environmental factors.










